ÄúÏÖÔÚµÄλÖãºÖйúũҵÒÇÆ÷Íø > ¼¼ÊõÎÄÕ > ±ãЯʽСÐÍÆøÏóÕ¾µÄ¹¤×÷ÔÀíºÍϵͳ¹¹³É
±ãЯʽСÐÍÆøÏóÕ¾µÄ¹¤×÷ÔÀíºÍϵͳ¹¹³É
1 ϵͳ¸ÅÊö
Ŀǰ£¬Ó¦ÓÃÓÚ¹¤Òµ¡¢Å©Òµ¡¢ÓæÒµ¡¢ÆøÏóµÈ·½ÃæµÄ±ãЯʽζȡ¢ÆøÑ¹¡¢Êª¶ÈÊý¾Ý²É¼¯ÏµÍ³»ù±¾ÉÏÊDzÉÓÃÓÐÏßʽµÄ£¬Æä±ãЯʽÐÔÄÜÖ÷ÒªÌåÏÖÔÚÒÆ¶¯ºÍ¼ÜÉèµÄ·½±ã³Ì¶ÈµÈ·½Ã棬ÔÚʵ¼ÊʹÓùý³ÌÖÐÈÔÈ»ÐèҪϵͳ²¼Ïß¡¢½¨Á¢Á¬½ÓµÈ£¬²¢ÇÒÌå»ý½Ï´ó£¬Ð¯´ø²»±ã£¬²»ÄÜÂú×ã±ãЯʽÉ豸µÄÒªÇó¡£
±ãЯʽСÐÍÆøÏóվϵͳÖ÷Òª°üÀ¨²É¼¯Óë·¢ËÍ¡¢½ÓÊÕÓëÊý¾Ý´¦ÀíÁ½¸ö²¿·Ö¡£²É¼¯Óë·¢ËͲ¿·ÖÍê³É×Ô¶¯Êý¾Ý²É¼¯¡¢Êý¾ÝÎÞÏß·¢Éä¡¢½ÓÊÕÖ¸ÁîÍê³ÉÏà¹ØÉèÖõȡ£¼ÜÉ跽ʽ¿É¸ù¾Ý¾ßÌåÐèÒªÀ´¶¨¡£½ÓÊÕÓëÊý¾Ý´¦Àí²¿·ÖÍê³ÉÊý¾Ý½ÓÊÕºÍÏÔʾ£¬²¢½ÓÊÕ¼üÅÌÖ¸Áî¶ÔÁ½¸ö²¿·Ö½øÐÐÏà¹ØµÄÉèÖ㬸ù¾ÝÉèÖõı¨¾¯·½Ê½´¥·¢±¨¾¯µÈ¡£ÓÉÓÚ±¾ÏµÍ³ÔªÆ÷¼þ²»¶à£¬¿ÉÒÔÖÆ³ÉÊÖ³Öʽ»ǫ̀ʽ¡£ÊÖ³ÖʽµÄÊý¾ÝÏÔʾ·½Ê½Ò˲ÉÓÃÒº¾§ÏÔʾģʽ£¬Ò»·½Ãæ½ÚÊ¡ÄÜÔ´£¬ÁíÒ»·½Ãæ¿É´ó´óËõСÍâ¹ÛÌå»ý£¬¸üÊÊÓÚ±ãЯ¡£Ì¨Ê½µÄ½ÓÊÕÓëÊý¾Ý´¦Àí¿É²ÉÓÃÊýÂë¹ÜÏÔʾµÄ·½Ê½£¬Ô¶¾àÀë¹Û²ìʱЧ¹û±È½ÏºÃ¡£
2 ϵͳ¹¤×÷×é³É
±¾±ãЯʽСÐÍÆøÏóվϵͳµÄÓ²¼þÖ÷ÒªÓɵ¥Æ¬»úºÍ´æ´¢µ¥Ôª¡¢AD ת»»µ¥Ôª¡¢´«¸ÐÆ÷µ¥Ôª¡¢ÎÞÏß´«Êäµ¥Ôª¡¢µçÔ´µ¥Ôª×é³É£¬Èçͼ 1 Ëùʾ¡£
2.1 µ¥Æ¬»úºÍ´æ´¢µ¥Ôª
±ãЯʽСÐÍÆøÏóÕ¾µ¥Æ¬»ú²ÉÓà Atmel µÄ AT89S51¡£S1¡¢C3 ºÍ R1 ¹¹³Éµ¥Æ¬»ú¸´Î»µç·£¬C1¡¢C2 ºÍ 11.0592MHz ¾§Õñ×é³ÉÎȶ¨µÄʱÖӵ緣¬Îªµ¥Æ¬»ú¿É¿¿¹¤×÷Ìṩ±£Ö¤¡£S51µÚ 31 ½Å£¨/EA/VP£©½Ó¸ßµçƽ£¬Ê¹ÓÃÄÚ²¿³ÌÐò´æ´¢Æ÷¡£24C01 ÓÃÀ´±£´æÓйزÎÊýÉèÖÃÊý¾Ý¡£
2.2 A/D ת»»µ¥Ôª
AD ת»»²ÉÓó£¼ûµÄ 8 λ˫ͨµÀ AD ת»»Æ÷ADC0832£¬¹¤×÷ʱÖÓÓÉ D ´¥·¢Æ÷ 74LS175 ¶Ôµ¥Æ¬»úALE ½ÅÊä³öµÄʱÖÓÐźţ¨ÆµÂÊԼΪ 1.8434MHz£©8 ·ÖƵºóÌṩ£¬ADC0832 Ó뵥Ƭ»úºÍ´«¸ÐÆ÷µÄÁ¬½Ó¼ûͼ 1¡£

2.3 ´«¸ÐÆ÷µ¥Ôª
´«¸ÐÆ÷Ö÷Òª°üÀ¨Î¶ȡ¢Êª¶ÈºÍÆøÑ¹µÈ 3 ÖÖ´«¸ÐÆ÷¡£Î¶ȴ«¸ÐÆ÷²ÉÓà Dallas °ëµ¼Ì幫˾µÄ¡°Ò»Ïß×ÜÏß¡±Êý×Ö»¯Î¶ȴ«¸ÐÆ÷ DS18B20£¬ÆäζȲâÁ¿·¶Î§Îª-55~+125¡æ£¬ÔÚ-10~+85¡æ·¶Î§Äڵľ«¶ÈΪ¡À0.5¡æ¡£ÏÖ³¡Î¶ÈÖ±½ÓÒÔ¡°Ò»Ïß×ÜÏß¡±µÄÊý×Ö·½Ê½´«Ê䏸µ¥Æ¬»ú£¬ÄÜ´ó´óÌá¸ß±ãЯʽСÐÍÆøÏóվϵͳµÄ¿¹¸ÉÈÅÐÔ£¬ÊʺÏÓÚ¶ñÁÓ»·¾³µÄÏÖ³¡Î¶ȲâÁ¿¡£Êª¶ÈÊý¾ÝµÄ²É¼¯Óà GY-HRM201 ÐÍʪÃôµç×èÄ£¿é×÷Ϊ´«¸ÐÆ÷¡£Ê¹Ó÷½±ã£¬Íâ½Ó 5VDC µçÔ´¼´¿ÉÊä³ö±ä»¯µÄµçѹÐźš£ÆøÑ¹´«¸ÐÆ÷Ñ¡Óà Freescale£¨Motorola£©µÄ MPXM2202 ÐÍѹÁ¦´«¸ÐÆ÷£¬²âÁ¿·¶Î§Îª 0~200kPa£¬µçԴΪ 10VDC£¬×î´óΪ 16V¡£Îª¼õÉÙÕû¸ö²É¼¯ÏµÍ³µÄ¹¦ÂÊÏûºÄ£¬±¾ÏµÍ³¶Ôʪ¶ÈºÍÆøÑ¹´«¸ÐÆ÷¼°ÆäÍâΧµç·²ÉÓÃÁ˼äЪ¹©µçģʽ£¬¼´ÔÚ½øÐÐÊý¾Ý²ÉÑùǰÏȹ©µç£¬ÑÓʱ 50ms ºóÔÙÆô¶¯ ADC²ÉÑù£¬×ª»»Íê³Éºó¶Ï¿ªµçÔ´¡£µ¥Æ¬»ú³ÌÐòͨ¹ýÆä I/O¿Ú P2.4 ½øÐеçÔ´¹ÜÀí¿ØÖÆ¡£

2.4 µçÔ´µ¥Ôª
ÒÇÆ÷²ÉÓøßÄÜï®¾Ûµç³Ø¹©µç£¬µçÔ´µ¥ÔªÔÀíÈçͼ2 Ëùʾ¡£³äµçµç·ÓÉ¿ª¹ØµçÔ´ºÍ³äµç¼à²âµç·×é³É£¬µç³Ø³äÂúºó×Ô¶¯Í£Ö¹¡£µç³Ø×éÓÉ 4 ½Úï®¾Ûµç³Ø×é³É£¬Ã¿½Ú¶î¶¨µçѹΪ 3.7V£¬³äÂú¿ÕÔØµçѹΪ 4.2V£¬4 ½Ú´®Áªºó×ܵçѹΪ 14.8V¡£µç³Ø×éµçѹÊä³ö¾·Åµç±£»¤µç·ºó£¬ÓÉ 12V ºÍ 5V ÎÈѹģ¿éÎÈѹºóÊä³ö+12V ºÍ+5V£¬ÎªÕû¸ö²É¼¯ÏµÍ³ÌṩµçÔ´¡£
3 É䯵´«Êä
±¾Ð¡ÐÍÆøÏóվϵͳ²ÉÓõ¥Æ¬É䯵ÊÕ·¢Æ÷оƬ nRF403 ºÍ±à½âÂëоƬ PT2262/2272 ¹¹³ÉË«ÏòÊý¾Ý´«ÊäͨµÀ£¬ÊÕ·¢×´Ì¬×ª»»Óɵ¥Æ¬»úʵʱ¿ØÖÆ¡£·¢Éäµ÷ÖÆ²ÉÓÃ͸Ã÷´«Ê䷽ʽ£¬±àÂëÐźſÉÖ±½ÓÁ¬½Óµ½·¢ÉäÄ£¿éµÄÊý¾ÝÊäÈë¶Ë£¬ÔÚ½ÓÊÕ»úµÄÊý¾ÝÊä³ö¶Ë¼´¿ÉÊä³ö½âµ÷Ðźš£

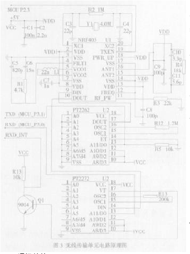
3.1 µç·ÔÀíͼ
±ãЯʽСÐÍÆøÏóÕ¾µç·ÔÀíͼÈçͼ 3 Ëùʾ¡£¿ÕÏÐʱµ¥Æ¬»ú P2.3 ¿ÚÊä³öµÍµçƽ£¬nRF403 ¹¤×÷ÔÚ½ÓÊÕ´ý»ú״̬¡£Èç¹ûÓÐÎÞÏß´«ÊäÐźÅʱ£¬Ð¾Æ¬ nRF403 ½øÈë½ÓÊÕ״̬£¬½«½ÓÊÕµ½µÄÊý¾ÝÓÉ DOUT ¶Ë¿ÚÊä³ö¸ø½âÂëоƬ PT2272¡£µ±PT2272 ½âÂëÕýȷʱ£¬ËüµÄ VT ¶Ë²úÉúÒ»¸öÕýÂö³å£¬¾9014 ·´ÏàºóË͸øµ¥Æ¬»úµÄÍⲿÖÐ¶Ï INT0£¬²úÉú½ÓÊÕÖжÏÐźţ¬µ¥Æ¬»ú½øÈë½ÓÊÕ·þÎñ³ÌÐòͨ¹ý P3.0 ¿Ú£¨RXD£©Íê³ÉÊý¾ÝµÄ½ÓÊÕ¡£µ±¶¨Ê±Êý¾Ý·¢ËÍʱ¼äµ½£¬µ¥Æ¬»ú P2.3 ¿ÚÊä³ö¸ßµçƽ£¬Á¢¼´½«Ð¾Æ¬ nRF403 ÓɽÓÊÕ´ý»ú״̬תÈë·¢Éä״̬£¬ÓÉ P3.1 ¿ÚÊä³öÒª·¢Ë͵ÄÊý¾Ýµ½±àÂëоƬ PT2262 µÄÊý¾ÝÊäÈë¿Ú£¬Íê³É±àÂëºóÖ±½ÓË͵½Ð¾Æ¬ nRF403 µÄ DIN ¿Ú£¬Íê³ÉÊý¾ÝµÄÎÞÏß·¢ËÍ¡£Êý¾Ý·¢ËÍÍê³Éºó 89S51 µÄ P2.3 ¿ÚÊä³öµÍµçƽ£¬¿ØÖÆÐ¾Æ¬ nRF403 ÔٴνøÈë½ÓÊյȴý״̬¡£
3.2 ͨѶÐÒé
СÐÍÆøÏóվϵͳÊý¾ÝµÄ·¢ËͺͽÓÊÕÊÇÁ½¸ö²»Í¬µÄͨµÀ£¬·¢ËͺͽÓÊÕ²»·ÖÖ÷´Î¡£Êý¾Ý´«ÊäËÙÂʹ̶¨Ê¹Óà 1200 ²¨ÌØÂÊ£¬Òò´Ë·¢ËͺͽÓÊÕÁ½·½µÄµ¥Æ¬»ú´®¿ÚÉèÖÃÏàͬ¡£Êý¾ÝµÄ´«Êä·ÖÁ½ÖÖÇé¿ö£¬Ò»ÖÖÊDzɼ¯µÄÊý¾Ý£¬Î¶ȡ¢ÆøÑ¹ºÍʪ¶È¸÷ 2 ¸ö×Ö½Ú£¬ºóÃæ½ô¸ú¶ÔÓ¦µÄ 6 ¸ö×ֽڵķ´Â룬×÷Ϊ²î´í¿ØÖÆÊ¹Óã»ÁíÒ»ÖÖÊÇ¿ØÖÆÖ¸ÁÍê³É½ÓÊն˵ÄÏàÓ¦¿ØÖÆ¡£·¢Ë͵ÄͨѶÐÒéÓÐÁ½ÖÖ£¬Ò»ÖÖÊÇÖ¸Áî°ü£¬ÁíÒ»ÖÖÊÇÊý¾Ý°ü£¬Èç±í 1 Ëùʾ¡£

Start_HEAD£º´«ËÍ¿ªÊ¼±êÖ¾£¬Ä¿µÄÊÇʹ½ÓÊÕ»úºÍ·¢ËÍ»úͬ²½¡£
Start_STX£ºÊý¾Ý´«Ê俪ʼ±êÖ¾¡£
Start_TC£ºÇø±ðÂë£¬Çø·Ö´«Ë͵ÄÊÇÖ¸Áî°ü»¹ÊÇÊý¾Ý°ü¡£
TEXT£ºÕýÎIJ¿·Ö£¬µ±´«ËÍÖ¸Áî°üʱ£¬Ö»ÓÐÒ»¸ö×Ö½Ú£¬ÖµÎª 00H£¬µ±´«ËÍÊý¾Ý°üʱΪ 12 ×Ö½ÚµÄÎÂѹʪÊý¾Ý£¨Õý·´Â룩¡£
Start_BCC£º²î´í¼ì²â£¬ÀÛ¼ÓºÍУÑéÂ루×ÝÏòÆæ/ż£©£¬¶Ô Start_TC ºÍ TEXT Ò»Æð½øÐÐÀÛ¼ÓºÍУÑé¡£
Start_ETX£ºÊý¾Ý´«Êä½áÊø¡£
Start_END£º´«ËÍÖÕÖ¹±êÖ¾£¬±íʾ·¢ËÍ»ú½«Á¢¼´Í£Ö¹·¢ËͶ¯×÷¡£
Start_TC ×ֶοØÖƺ¬Ò壺¸ß 4 Î»ÎªÌØÕ÷Â룬µÍ 4λÊÇ¿ØÖÆÖ¸ÁîµÄ¾ßÌå²ÎÊý¡£ÔÚ·¢ËÍÊý¾Ý°üʱ£¬ÌØÕ÷ÂëÊÇ 1111B£¬µÍ 4 λΪ 0000H¡£·¢ËÍÖ¸Áî°üʱµÄ¾ßÌ庬ÒåÈçÏ£º
1100B£ºÊý¾Ý³ö´í£¬ÒªÇóÖØÐ·¢ËÍÒ»´Î¡£
1101B£ºÉèÖòɼ¯Ê±¼ä¼ä¸ô¡£
1011B£º¸´Î» MCU¡£
1010B£º³õʼ»¯ËùÓеIJɼ¯Ä£¿é¡£
ÆäËû£º±¸Óá£
4 ½áÊøÓï
±¾ÎÄͨ¹ýÉè¼ÆÒ»ÖÖ±ãЯʽСÐÍÆøÏóÕ¾£¬Ê¹Î¶ȡ¢ÆøÑ¹¡¢Êª¶È²âÁ¿¼°Êý¾Ý´«Êä¸ü·½±ã£¬Ó²¼þÁ¬½Ó¸ü¼òµ¥£¬Ê¹ÓÃ×Ô¶¨ÒåµÄÊý¾Ý´«ÊäÐÒé·½·¨±È½Ï¼òµ¥£¬Ë«²ã²î´í¿ØÖÆ¿ÉÒÔÔںܴó³Ì¶ÈÉÏÌá¸ßÊý¾Ý´«ÊäµÄ׼ȷÂÊ¡£
Ïà¹Ø²úÆ·£ºÅ©Òµ»·¾³¼ì²âÒÇ ±ãЯʽũҵ»·¾³¼à²âÒÇ È˹¤ÆøºòÏä
- ¡¾ÖйúũҵÒÇÆ÷Íø¡¿ÉùÃ÷²¿·ÖÎÄÕÂ×ªÔØ×ÔÆäËüýÌå£¬×ªÔØÄ¿µÄÔÚÓÚ´«µÝ¸ü¶àÐÅÏ¢£¬²¢²»´ú±í±¾ÍøÔÞͬÆä¹ÛµãºÍ¶ÔÆäÕæÊµÐÔ¸ºÔð£¬ÇÒ²»³Ðµ£´ËÀà×÷Æ·ÇÖȨÐÐΪµÄÖ±½ÓÔðÈμ°Á¬´øÔðÈΡ£ÈçÉæ¼°×÷Æ·ÄÚÈÝ¡¢°æÈ¨ºÍÆäËüÎÊÌ⣬ÇëÔÚ30ÈÕÄÚÓë±¾ÍøÁªÏµ¡£
- ÉÏһƪ£ºÕôÁóÆ÷½á¹¹Éè¼ÆÒªµã
- ÏÂһƪ£ºÎÂÊÒÍÁÈÀÎÂʪ¶ÈÎÞÏßÐÅÏ¢²É¼¯Óë¼à¿Ø..









